4.5.1 Трансформаторды жұмысқа қабылдау және оған қызмет көрсету
Трансформаторлар электр жүйесінің маңызды бөліктерінің бірі болып табылады және электр жүйесінің өсуімен трансформаторлар саны мен олардың қуаты сөзсіз артады.
Трансформаторларда энергияның едәуір бөлігі жоғалады, болаттағы шығындар – шамамен 3,3 %, орамаларда – трансформатор беретін барлық энергияның шамамен 3,7%.
Реактивті қуаттың негізгі тұтынушыларының бірі трансформаторлар болып табылады, олар энергия жүйесі тұтынатын реактивті қуаттың 40-тан 50% - на дейін қолданылады.
Трансформаторлардың өте жоғары сенімділігімен олардың 3-5% - ында пайдалану кезінде елеулі зақым анықталады.
Трансформатордың ең осал жері-айналмалы және бойлық оқшаулау [30-31]. Кестеде 4.3 трансформатордың жеке элементтерінің істен шығуын бөлу келтірілген.
4.3 - кесте. Трансформаторлардың зақымдануы
|
Трансформатор элементтерінің атауы |
Бас тартудың жалпы санындағы үлесі, % |
|
Басты оқшаулау |
7 |
|
Айналмалы және бойлық оқшаулау |
60 |
|
Қосқыштар |
7 |
|
Магнит өткізгіштер |
2 |
|
Енгізулер |
7 |
|
Бұрмалар мен байланыстар |
8 |
|
Бак және төсемдер |
7 |
|
Салқындату жүйесі |
2 |
Орамдық оқшаулаудың зақымдануы трансформаторлардың ауыр зақымдануының негізгі себебі болып табылады. Орамдық оқшаулау трансформатор арқылы өтетін токтың кенеттен өзгеруі кезінде орамға динамикалық әсер ету нәтижесінде зақымдалады, олар, әдетте, төтенше жағдайларға байланысты болады (қысқа тұйықталу токтары).
Трансформатордың негізгі сипаттамаларының бірі-рұқсат етілген қысқа тұйықталу тогы, оның ұзақтығы келесідей есептеледі
(4.1)
мұнда
- ҚТ ең үлкен есептік тогының еселігі.
Рұқсат етілген қысқа тұйықталу тогының мәні және оның ұзақтығы кестеде келтірілген 4.4.
4.4- кесте
|
Кернеуі ҚТ, % |
Жиілігінің ток ҚТ |
Рұқсат етілген ұзақтығы ток ағымының қысқа тұйықталу, с |
|
4,0 |
25 |
1,45 |
|
5,0 |
20 |
2,25 |
|
5,5 |
18 |
2,80 |
|
6,5 |
15,5 |
3,75 |
|
7,0 |
14,3 |
4,40 |
|
7,5 және одан да көп |
13,3 және аз |
5,00 |
Монтаждаудан немесе жөндеуден кейін трансформаторды қосу алдында қызмет көрсетуші персонал трансформаторды мұқият қарап шығуға және трансформаторды номиналды кернеумен сынауға міндетті.
Сынамалау алдында мынадай операциялар жүргізіледі:
- кәсіпорынның пайдалану нұсқаулықтарының талаптарына сәйкес трансформатор багындағы майды физикалық-химиялық талдау, ал контактор багында ЖАКР құрылғысын пайдалану жөніндегі нұсқаулыққа сәйкес;
- R60 және tgδ трансформатор оқшаулау сипаттамаларын өлшеу;
- ЖАКР әртүрлі позициялары кезінде тұрақты токтағы орамдардың мыстың кедергісін өлшеу немесе қоздырмай ауыстырып қосу;
- төмен кернеу кезінде трансформатордың бос жүрісінің шығынын өлшеу;
- 63 МВА және одан жоғары трансформаторларда майда ерітілген газдарды хроматографиялық талдау.
Барлық өлшеу нүктелеріндегі температура және кеңейткіш бактағы май деңгейі, сондай-ақ тиек аппаратурасы мен газ релесінің жұмыс қабілеттілігі, ЖАКР құрылғысының көрсеткіштері немесе қоздырмай, жерге қосусыз, трансформатордағы майдың ағып кетуінсіз ауыстырып қосу тексеріледі.
Ток трансформаторларының пайдаланылмаған қайталама орамаларын қысқарту қажет.
Барлық қосылған ажыратқыштарды және асқын кернеуді шектегішті сызықты емес тексеру бойынша жұмыстарды жүргізу. Төмен және орташа кернеуде пайдаланылмайтын үш орамалы трансформаторлардың (автотрансформаторлардың) орамалары жұлдызға немесе үшбұрышқа жалғанады және әрбір фаза мен жердің кірмелері арасында қосылған сызықты емес, вентильді ажыратқыштармен асқын кернеулерді шектегішпен қорғалады.
Үшбұрыштың немесе жұлдыз бейтараптығының бір шыңының жерге тұйықталуын ток өткізгіштен бірінші болып орналасқан пайдаланылмаған төмен кернеу орамаларында орындауға болады.
Топтық трансформаторларда бір фазалы үш орамалы автотрансформатордың пайдаланылмайтын орамасын үшбұрышқа қосуға жол берілмейді, бірақ мұндай трансформатордағы фазаның бір ұшы міндетті түрде жерге тұйықталады, ал басқасына шамадан тыс кернеуді шектегішпен сызықты емес немесе разрядтағыш орнатылады.
Газ релесінің барлық контактілері (негізгі және сигналдық) ажыратуға қосылады.
Трансформаторды қоспас бұрын барлық қорғаныс пен тексеру нәтижелерін құжаттау керек.
Трансформатор мониторинг жүйесімен жабдықталған жағдайда оны қосу қажет.
Трансформаторды кернеуге тек сөндіруге қосылған қорғағыштармен қоюға рұқсат етіледі. Трансформатор 110...500 кВ трансформаторларда май құйылғаннан кейін 12 сағаттан кейін, ал 750 кВ трансформаторларда 48 сағаттан кейін кернеуге қойылады.
Трансформаторды желіге қосу, әдетте, толық кернеу үшін дереу жүзеге асырылады.
Қуаты 6,3 МВА және одан жоғары трансформаторларды кернеу астында бірінші қосу 2-3 рет жүргізілуі керек, содан кейін трансформаторды 2 сағатқа бос қалдырыңыз, содан кейін трансформаторды жүктеуге болады.
Салқындатқышы бар Трансформаторды Ц (майдың бағытталмаған ағынымен су мен майдың мәжбүрлі айналымы), НЦ (майдың бағытталған ағынымен су мен майдың мәжбүрлі айналымы) іске қосқан кезде алдымен май сорғысын қосу керек, содан кейін су (немесе клапандарды су арқылы ашу) кері тәртіпте ажыратылады.
Трансформатордың жүктемесін және майдың жоғарғы қабаттарының температурасын бақылау энергия объектісінің техникалық басшысы белгілеген мерзімде жүктеме дәрежесіне, жыл уақытына, трансформатордың мақсатына, орнату орнына және техникалық жай-күйіне байланысты жүргізілуі тиіс.
Қоздырмай ауыстырып қосу құрылғыларын әрбір ауыстырып қосуды жүргізу кезінде, егер дайындаушы зауыттың пайдалану жөніндегі нұсқаулығында өзгеше келісілмесе, оларды бір шеткі жағдайдан екіншісіне 10 рет айналдыру қажет.
Трансформаторларды тексеру. Жұмыс істеп тұрған трансформаторларды қауіпсіздік ережелерін сақтай отырып қарау керек.
Трансформаторларды ажыратпай тексеруді энергия объектінің техникалық басшысы белгілеген мерзімде олардың мақсатына, орнату орнына, дайындаушы зауыттардың техникалық жай-күйіне және нұсқауларына байланысты жүргізу қажет.
Трансформаторларды тексеру кезінде тексеру керек:
Ауа райының күрт өзгеруі кезінде энергия объектінің техникалық басшысының нұсқауы бойынша трансформаторларға кезектен тыс тексеру жүргізу керек. Кезекші персоналмен қосалқы станцияларда трансформаторларды кезектен тыс тексеру диспетчерде газ релесінің сигналы немесе температуралық бақылау аспаптарының көрсеткіштері пайда болған кезде міндетті.
4.5.2 Трансформаторларды салқындату
Төмен қуатты трансформаторлардың резервуары, әдетте, тегіс, орташа қуатты трансформаторларда жылу шығаруды арттыру үшін тегістеу жасалады, ал қуатты трансформаторлар арнайы салқындату құрылғыларымен – радиаторлармен жабдықталған.
Кеңейткіші бар резервуар герметикалық болып табылады, бұл трансформаторды вакуумды кептіру кезінде пайда болатын ішкі зақымданулар мен разряд кезінде пайда болатын жоғары қысымға төтеп беруге мүмкіндік береді.
Тым көп қысым пайда болған жағдайда, мысалы, резервуардың жоғарғы жағындағы орамалы немесе интерфазалық тұйықталу кезінде, қысымның күрт жоғарылауымен, қысымды кетіретін әйнекпен немесе фольгамен жабылған пайдаланылған газ құбыры қарастырылған.
Төмен қуатты трансформаторларды салқындату кезінде, әдетте, табиғи, жылу резервуардың тегіс беті арқылы қоршаған кеңістікке беріледі. Барлық басқа (неғұрлым қуатты) трансформаторлар әртүрлі дизайндағы радиаторлармен жабдықталған [32-33].
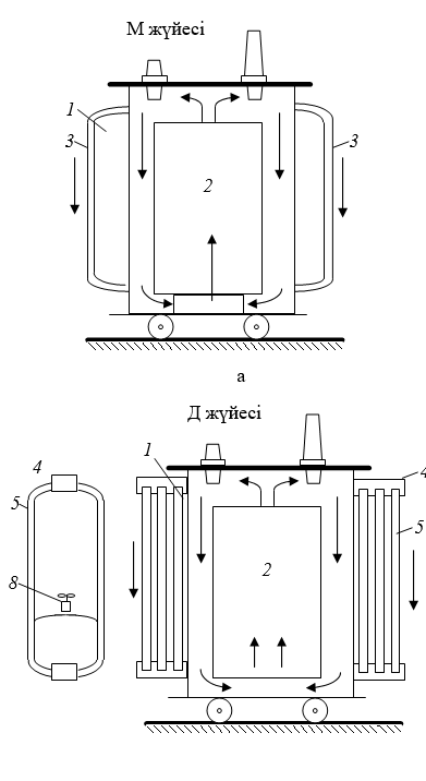
- Сур. 4.3 және сурет. 4.4 трансформаторлардың салқындату жүйелерінде қолданылатын.
- Сур. 4.3, а табиғи айналымы бар "М" майлы салқындату жүйесі көрсетілген (трансформаторлар үшін 6,3 МВА дейін).
- Сур. 4.3, б "D" май салқындату жүйесі (63 МВА трансформаторлары үшін) көрсетілген.
- Сур. 4.3. в, майдың мәжбүрлі айналымымен және радиаторларды үрлеу арқылы салқындатумен (трансформаторлар үшін 200 МВА дейін) "ДЦ" май салқындату жүйесін көрсетеді.
- Сур. 4.3. г, май салқындатқыштарда сумен салқындатылатын майдың мәжбүрлі айналымымен (трансформаторлар үшін 200 МВА астам) "Ц" май салқындату жүйесі көрсетілген.


4.3 - сурет. Трансформаторларды салқындату жүйелері: 1 – бак; 2 – алынатын бөлік; 3 – салқындату беті; 4 – коллектор; 5 – радиатор құбырлары; 6 – салғышсыз сорғы; 7 – радиаторлар; 8 - электр желдеткіштері; 9 - май сорғысы; 10 - май салқындатқышы; 11 – майдың ион алмастырғыш сүзгісі; РМ – майдың қысымы, РВ -судың қысымы.
4.5.3 Трансформатор майын қорғау
Трансформатордағы ең әлсіз және тұрақсыз элемент – бұл май, өйткені оған бірқатар қатаң техникалық талаптар қойылады.
Май негізгі диэлектрик болғандықтан, оның диэлектрлік беріктігі болуы керек:
қоса алғанда 15 кВ дейінгі трансформаторлар үшін - 30 кВ;
15 – тен 35 кВ-қа дейінгі трансформаторлар үшін - 35 кВ;
60 – тан 220 кВ-қа дейінгі трансформаторлар үшін - 45 кВ;
330 – дан 500 кВ-қа дейінгі трансформаторлар үшін - 55 кВ;
750 кВ – 60 кВ трансформаторлар үшін.
Май бір-бірінен 2 мм қашықтықта орналасқан жарты шар тәрізді екі электродтары бар ыдыста сыналады.
Майдың бір граммындағы қышқылдың мөлшері 0,03 мг КОН аспауы керек.
Тұтану температурасы – кемінде 135 °с.
Тұтқырлығы кинематикалық, АКҚ, 20 °С кезінде – 30-дан артық емес, 50 °С кезінде – 9-дан артық емес.
Мұздату температурасы минус 50 °C-тан жоғары болмауы керек.
Диэлектрлік шығындар бұрышының тангенсі: 20 °С кезінде – 0,2% дейін, 70 °С кезінде – 2% дейін.
Мұнай өндірушіге байланысты әр түрлі болуы мүмкін, сондықтан нормалар әртүрлі болуы мүмкін. Май жеткізу кезінде зауыт сертификат береді. Ілеспе құжаттары жоқ майды трансформаторларға құюға қатаң тыйым салынады. Құрамы әртүрлі екі трансформатор майын араластыруға тыйым салынады (тіпті өте жоғары сапалы).
Трансформатордың жұмысы кезінде, сондай-ақ оны құю алдында оны сусыздандыру бойынша іс-шаралар жүргізіледі. Майдың сыртқы атмосферамен байланысы болмауы керек.
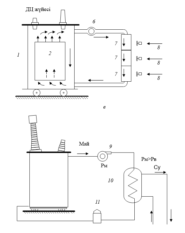
Трансформатордың жұмысы кезінде майды қыздыру және салқындату нәтижесінде пайда болатын көлемнің өзгеруі кеңейткіштердің жұмысымен өтеледі.
Кеңейткіш резервуарға газ релесі орнатылған құбырмен қосылған (4.4 - сурет). Кеңейткіштің көлемі осы аймақтағы температура ең төменгі деңгейден ең жоғары деңгейге дейін өзгерген кезде ығыстырылатын майдың мүмкін болатын ең жоғары көлеміне сүйене отырып есептеледі.
Мысалы, егер температура айырмашылығы 100...110 °C болса, онда кеңейткіштің толық көлемі трансформатордағы майдың толық көлемінің шамамен 8...9%, ал пайдалы мөлшері шамамен 7...8% болуы керек.

4.4 - сурет. Трансформатор кеңейткіші: а - Кеңейткіш бойынша бойлық қима; б - бүйір көрінісі; 1- май көрсеткіш түтігі; 2 - май көрсеткіш түтігінің тыныс алу ұшы; 3-кеңейткіштің тыныс алу түтігі; 4 - трансформаторға қосуға арналған келте құбыр; 5 - құю саңылауының тығыны; 6-тұнбаны жинауға арналған май тұндырғышы; 7 - пайдаланылған газ құбыры; 8 - қауіпсіздік диафрагмасы (қысым көтерілгенде жыртылады немесе бұзылады); 9 - шығатын құбыр мен кеңейткішті жалғайтын түтік; 10 - су төгетін кран; 11-газ релесі; 12-трансформатор ыдысы
Кеңейткіштердегі май деңгейін шыны түтік немесе мамандандырылған құрылғы түрінде орындалатын май көрсеткішімен анықтауға болады, оның көрсеткі кеңейткіштегі қалқымамен механикалық байланысты. Аспаптың шкаласына немесе түтікке температура кезінде май деңгейіне сәйкес келетін белгілер қойылуы тиіс -35°; +15°; +35 °С.
4.5.4 Трансформатор майының азоттық қорғанысы
Трансформатор толығымен тығыздалған болуы керек. Ол үшін майдан бос орын құрғақ азотпен толтырылады. Май көлемінің ауытқуы кезінде артық азот серпімді контейнерге ауыстырылады (сурет 4.5).
Мұндай жүйеде майды азотпен қанықтыру қаупі бар, ол оқшаулау күйіне нашар әсер етеді, өйткені майды қыздырған кезде шығарылған азот көпіршіктері оқшаулаудың диэлектрлік беріктігін едәуір нашарлатады.

4.5- сурет. Азотты қорғау, трансформатор:
a - азот, 1 - трансформатор ыдысы, 2 - газ релесі, 3 - кеңейткіш, 4 -термосифонды құрғатқыш, 5 - өшіру клапаны, 6 - азот серпімді қапшыққа арналған контейнер
4.5.5 Трансформатор майының пленкалы қорғанысы
Майды атмосферамен байланыстырудан қорғаудың ең жақсы жүйесінің бірі-пленкадан қорғау. Бұл жағдайда Кеңейткіш коннектормен дәл жартысына бөлінеді. Май кеңейткіштің жартысына дейін толтырылады және қатпарларға жиналған арнайы майға төзімді пленкамен жабылады (сурет 4.6).

4.6 - сурет. Трансформатор майының пленкалы қорғанысы:
1 - трансформатор қақпағы; 2 - газ релесі; 3 - кеңейткіш; 4 - май; 5 - ауа; 6-май мен ауаны бөлетін пленка
Май қызған кезде пленка созылып, май кеңейткіштің жоғарғы бөлігін атмосферамен жанаспай және газдармен қанықпай толтырады.
4.5.6 Трансформатор майын тотығудан қорғау
Майдың тотығуы майларды ыдырататын оттегінің болуына байланысты. Ыдырау өнімдері майдың диэлектрлік сипаттамаларын едәуір нашарлатады. Бұл кемшілікті антиоксидантты қоспаларды қолдану негізінде жоюға болады, бұл үшін дитретикалық бутилпаракрезолдар (DBPK) жақсы үйлеседі. Май массасының 0,32% мөлшерінде пирамида жақсы нәтиже береді. Қоспаларды қолдану майдың қызмет ету мерзімін 4...5 жылға дейін арттырады.
4.5.7 Трансформаторды кептірусіз қосу мүмкіндігін анықтау
Трансформатор кептірусіз қосылады, егер:
- күрделі жөндеу жүргізу кезінде трансформатор орамаларын, тіпті ішінара өзгерткен жоқ;
- салыстырмалы ылғалдылығы 75%-дан аспайтын ашық ауада 35 кВ және одан төмен трансформаторлар үшін трансформаторлардың алмалы-салмалы бөлігі 24 сағаттан аспайды, ал 110 кВ және одан жоғары трансформаторлар үшін 16 сағаттан аспайды. Бұл мерзім алу бөлігін қоршаған орта температурасынан 5°С жоғары ұстап тұру шартымен үш есеге ұлғаяды [34].
Осы шарттар орындалмаған кезде трансформаторды кептірусіз қосу мүмкіндігі күрделі жөндеуге дейін және одан кейін алынған нәтижелер негізінде жүргізіледі.
Трансформаторды кептірусіз қосу келесі жағдайларда мүмкін:
- оқшаулау кедергісі (60 с) 40-тан % төмен болмады;
- С2 -ден С2 -ге қатынасы 10% - ға артты;
- тангенс дельта 30% - дан артық емес өсті.
Трансформатордың оқшаулауының нашарлауы мүмкін, егер жөндеуге дейін оның көрсеткіштері жоғары болса, бірақ абсолютті көрсеткіштерден аспауы керек (кесте 4.5).
Трансформаторды кептіру кезінде R60с/R15с қатынасы ескеріледі, кернеуі 35 кВ дейін қоса алғанда ылғалданбаған орамдар үшін қатынас мәні кемінде 1.3, ал 110 кВ және одан жоғары орамалар үшін R60с/R15с =1,5...2,0. Егер орамалардың жергілікті ақаулары мен ылғалданған орамалары болса, онда R60с/R15с ≈1,00 қатынасы.
4.5 - кесте. Күрделі жөндеуден кейін оны кептірусіз қосуға мүмкіндік беретін трансформатордың көрсеткіштері
|
Ораманың температурасы, °С |
Тангенс дельта (%) ВН орамасының кернеуі кезінде, кВ |
С2/С50 ораманың ЖК кернеуі кезінде, кВ |
||
|
35 |
35 |
35 |
35 |
|
|
10 |
2,5 |
2,0 |
1,2 |
1,1 |
|
30 |
5,5 |
4,0 |
1,4 |
1,3 |
|
50 |
11,0 |
8,0 |
1,6 |
1,5 |
|
70 |
20,0 |
16,0 |
1,8 |
1,7 |
4.5.8 Трансформаторды кептіру
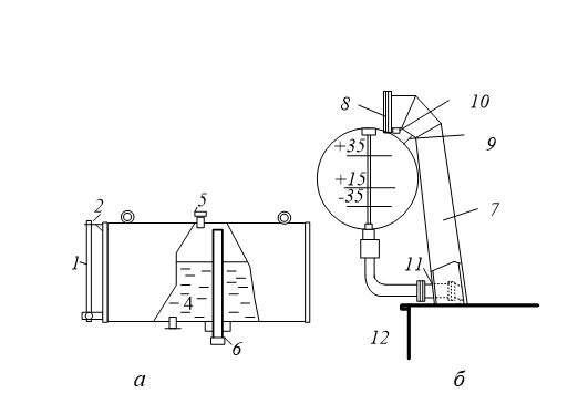
Майды ағызудың алғашқы шаралары термосифон сүзгілері болып табылады (сурет 4.7) жұмыс істеп тұрған трансформатор майын ылғалдан қорғауға арналған [35].

4.7 - сурет. Трансформатор майын кептіруге арналған термосифондар:
а - термосифон орнату; б-г - 10...200 кг силикагель адсорбентіне термосифон конструкциялары; 1 - трансформатор багы; 2 - кеңейткіш; 3 -газ релесі; 4 - термосифон сүзгісі; 5 - тыныс алу түтігіндегі ауа кептіргіштер
Термосифонды сүзгілер – бұл силикагельмен немесе алюмогельмен толтырылған, адсорбент, ылғалды тері тесігіне сіңіреді, бірақ сонымен бірге химиялық бейтарап. Силикагельді мезгіл-мезгіл жаңасына ауыстыру керек, ал ылғалданған гель 400...500°C температурада кептіріледі.
Абсорбенттің қаныққан күйін анықтау үшін оған 3% кобальт хлориді қосылады, ол сумен қаныққан кезде оның түсін көгілдірден қызғылт түске өзгертеді, бұл абсорбенттің ылғалдану дәрежесінің көрсеткіші болып табылады. Абсорбенттің түсін термосифонды сүзгілер терезесі арқылы байқауға болады.
Трансформатордағы адсорбент көлемі майдың жалпы көлемінің шамамен 1% құрайды, қуатты трансформаторларда көлем 0,75% дейін төмендеуі мүмкін.
Термосифонды сүзгілер арқылы майдың айналымы конвекциялық жолмен ұйымдастырылған: қыздырылған май салқындаған кезде термосифонды сүзгілер арқылы төмен түсіп, силикагельге ылғал береді.
Майды қалпына келтіру үшін трансформатордың жұмысы мен сенімділігі байланысты болатын майды кептірудің мәжбүрлі процедурасы жүзеге асырылады. Трансформаторларды кептіру екі түрлі болуы мүмкін:
- біріншісі – вакуумсыз кептіру ыстық ауаны айдау арқылы жүзеге асырылады;
- екіншісі – трансформатор элементтерінен қыздыра отырып, вакуум астында кептіру (бактағы магниттік ысыраптардың немесе нөлдік тізбектегі токтардың есебінен).
Ыстық ауа үрлегішті пайдалану арнайы камерада жүзеге асырылады (сурет 4.8). Камера кез-келген материалдан жасалған, бірақ отқа төзімді болуы керек; егер ағаш болса, ішінен ол металл және асбест парақтарымен қапталған. Камераға берілетін ауа сүзілуі тиіс.
Ауа үрлегіштің өнімділігі (м3/ сағ) кептіру камерасының 90 есе көлемін қамтамасыз ету қажеттілігіне қарай есептеледі және бұл ретте жылытқыш пешінің қуаты кемінде болуы тиіс
(4.4)
мұндағы 0,31 (ккал/м3, ºС) – ауаның көлемдік жылу сыйымдылығы;
(м3/ сағ) – ауа үрлегіштің өнімділігі;
және
(°C) – ауа үрлегішке кіретін және жылытқыштан шығатын ауа температурасы.
Кептіру камерасына ауа кіреді, оның температурасы 105°C-тан аспауы керек. Камераның жоғарғы тесігінен шыққан кезде температура 80...90°C-тан төмен болмауы керек, сондықтан оны оқшаулау керек.

4.8 - сурет. Трансформаторды ауа үрлегіштің көмегімен кептіру, мұндағы tº – кедергі термометрлері немесе термопаралар; КТ -кептірілетін трансформатор; ЖКК – жылытылған кептіру камерасы; ҰҰ - ұшқын ұстағыш (металл тор); ЭБҚ – электр немесе бу қыздырғыш; Ж – желдеткіш
Трансформатордың белсенді бөлігі кем дегенде 105°C температураға дейін қызады.
Кептіруді тездету үшін трансформатордың температурасы өзгереді, ол үшін жылытқыш мезгіл-мезгіл ажыратылады, ал оқшаулаудың ыстық ішкі қабаты кезінде ылғал буланып кетеді.
Кептіргіш камерадағы жылытқышты өшірген кезде, магниттік тізбек трансформатордың орамасынан әлдеқайда ыстық болады, өйткені ол тезірек салқындатылады. Сондықтан, жылытқышты өшірген кезде орамалардың сыртқы оқшаулау қабаты мен магнит өткізгіштің арасындағы температура айырмашылығы шамамен 15...20°C температурада 15...20 сағатқа созылады. Термиялық диффузия циклдары мезгіл-мезгіл қайталанады.
Магниттік тізбекті 70...95 °C-тан төмен салқындату және 65...70°C-тан төмен орамалар ұсынылмайды.
Трансформаторды кептіру процедурасы міндетті кестемен журналда жазылады (мысалы, сурет 4.9) трансформатордың температуралық режимін және оқшаулау кедергісін Өзгертуді көрсете отырып.
A – B сегменті кептіру процедурасының аяқталуын сипаттайтын оқшаулау кедергісінің өзгеруін көрсетеді, өйткені оқшаулау деңгейі мен температурасы өзгермейді. B – B сегменті құрғақ оқшаулауды сипаттайды, өйткені оқшаулау кедергісі жоғарылайды, ал қыздырғыш өшірілген кезде трансформатордың температурасы төмендейді. Кептіруден кейін орам ыстық күйінде бірден "құрғақ" майға түседі.

4.9 - сурет. Трансформаторды кептіру кестесі, мұнда 1 - ауа температурасы, 2 - оқшаулау температурасы; 3 - ораманың оқшаулау кедергісі

4.10 - сурет. Трансформатордың индукциялық қызуы
Жеке резервуарда вакуум астында кептіру кезінде қажетті қыздыру қуаты қамтамасыз етілуі керек және резервуар жылу оқшаулағыш материалмен оқшауланған.
Электр қыздырғыштар бактың түбіне орнатылады, олардың қуаты трансформатор багы түбінің ауданы 1,5...3,0 кВт/м2 есебінен айқындалады.
Майды индукциялық қыздыру трансформатор ыдысының үстіне бір немесе үш фазалы қыздыру орамасын салу арқылы қамтамасыз етіледі (сызбаны қараңыз 4.10).
Бір фазалы орам 220 В кернеуге, ал үш фазалы орам 380 В кернеуге қосылады.
Кестеде 4.6 қыздыру орамаларының орындалу мысалдары келтірілген.
4.6 - кесте
|
Трансформатор, кВА/кВ |
Ораманың кернеуі, В |
Айналымдар саны, бірлік |
Ток орау, А |
Қуатты тұтыну |
Саны фазалары орау |
|
|
кВт |
кВА |
|||||
|
100/6 |
220 |
130 |
22 |
- |
44 |
1 |
|
1000/10 |
220 |
102 |
46 |
- |
10 |
1 |
|
10000/35 |
220 |
65 |
104 |
- |
23 |
1 |
|
40000/110 |
380 |
52 |
160 |
40 |
61 |
3 |
|
90000/400 |
380 |
10 |
765 |
185 |
490 |
3 |
|
123000/400 |
380 |
10 |
700 |
225 |
450 |
3 |