Коммутаторлар мен контакторларды құрастыруға және реттеуге байланысты жұмыстарды орындау кезінде контактілердің қысымын (контактілі басу күші) өлшеу міндетті болып табылады, бұл бүкіл байланыс жүйесінің құрастыру сапасын бағалауға мүмкіндік береді. Типтік сынақтар кезінде түйіспелердің қысымын өлшеу конструкцияның сапасын бағалаумен және жүргізілген реттеулермен байланысты. Өлшеулер сондай-ақ контактілерге динамикалық әсер етумен байланысты сынақтардан кейін жүргізіледі (ҚТ кезіндегі орнықтылыққа, механикалық немесе электрлік тозуға сынаулар).
Байланыс қысымын реттеу және оны өлшеу коммутациялық құрылғыларды тексеру кезінде жүргізілуі керек.
Контактілердің әлсіз қысымы тұрақсыз өтпелі кедергіге әкеледі, бұл, әдетте, жоғары ток кезінде, мысалы, қысқа тұйықталу кезінде дәнекерлеуге дейін контактілердің қатты қызуына әкеледі. Жоғары қан қысымы да зиянды, өйткені коммутация кезінде қосымша күштер пайда болады, ал контактілердің жоғары қысымымен ұзақ уақыт жұмыс істеу аппараттың механикалық тозуына әкеледі. Кестеде 5.7 коммутациялық құрылғылардың кейбір түрлеріне контактілер қысымының нормативтік мәні келтіріледі.
5.7 - кесте. Байланыс қысымдарының нормалары
|
Коммутатор түрі |
Байланыс қысымы [Н] |
||
|
Ауыстырғыш |
Контактордың негізгі байланыстары
|
Контактордың доғалық байланыстары |
|
|
ҚТР9 |
30...40 |
- |
- |
|
ҚТР13 |
50...60 |
80...100 |
- |
|
ҚТР18 |
60...80 |
250...300 |
130...180 |
|
ҚТР20 |
50...60 |
80...100 |
50...70 |
|
ҚТР RS-9-III 200 35/K1019W |
40...55 |
360...420 |
90...130 |
Контактілердің қысымын өлшеу процесі МЕМСТ-та анықталған. Көрсеткі омметрмен, сигнал шамымен (сурет 5.4, а) немесе түйіспелермен қысылған қағаз жолағын босату (сурет 5.4. б) қосылған ауыстырып-қосқыш құрылғысындағы қозғалмайтын түйіспеден жылжымалы түйіспені тарту кезінде шынжырдың үзілу сәтін тіркейді, ал тартулар жүргізілетін динамометрмен шынжырдың үзілу сәтіндегі қысым күшін өлшейді.
;
5.4 - сурет. Контактіні басуды өлшеу:
а - сигнал шамы әдісінің көмегімен; б - зондтың (төсемнің) көмегімен;
1 - қозғалмайтын байланыс; 2 - жылжымалы байланыс; 3 - омметр; 4 - динамометр; 5 - серіппе; 6 - щуп; GB - аккумулятор батареясы; СШ - сигнал шамы; F - түйіспелі басу күші; с - түйіспеден тірек нүктесіне дейінгі қашықтық, мм; d - динамометрдің ілу орнынан тірек нүктесіне дейінгі қашықтық, мм.
Тарту күштері қатаң түрде байланыс қысымы күшінің бағытында қолданылады. Егер бұл мүмкін болмаса, өлшеу нәтижелері есептеу арқылы түзетіледі.
Сондай-ақ, байланыс қысымын өлшегеннен кейін жетектің немесе тұтқаның білігіндегі моментті өлшеу қажет, барлық жылжымалы бөліктер техникалық талаптарға сәйкес алдын-ала майланған. Момент білікке тұтқаның иығына немесе білікке бекітілген білікке қолданылатын күш мөлшері ретінде анықталады. Өлшеуді динамометр бір күйден екінші күйге ауыстыру операциясын жүргізу кезінде жүргізеді. Білікке моментті бірден өлшеуге болатын арнайы момент өлшеу құрылғылары бар.
Қолмен басқару тұтқасына қолданылатын күш 200 Н (20 кгс) аспауы тиіс. ЖАКР бойынша қажетті деректер нақты ЖАКР-ның паспортына немесе техникалық құжаттамасына сүйене отырып алынады.
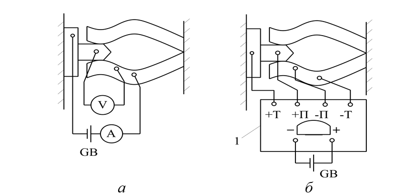
5.5 суретке ағымдағы тізбектің тұрақты токқа кедергісін өлшеу схемасы берілген.
;
5.5 - сурет. Контактілердің кедергісін өлшеу схемасы:
а - вольтметрамперметрдің көмегімен; б - микроомметрдің көмегімен;
1 -тұрақты ток көпірі; GB - аккумуляторлық батарея; Т және П - ток және әлеуетті қысқыштар
Трансформация коэффициентін өлшеу. Трансформация коэффициенті барлық үш фазада бір уақытта өлшенеді, осылайша тармақтардың дұрыс қосылуынан басқа, күштік трансформатордың барлық коммутациялық аппараттарының жұмыс қабілеттілігі де тексеріледі. 5.6 сурет үш фазалы трансформатор үшін трансформация коэффициентін өлшеу схемасын көрсетеді.

5.6 - сурет. Трансформация коэффициентін өлшеу схемасы:
1 - күштік трансформатор; V1, V2, V3, V4 - вольтметрлер; U - желінің кернеуі; А, В, С - фазалар.
Бір фазалы қуат трансформаторы үшін трансформация коэффициенті бірнеше вольтметрдің көмегімен өлшенеді. Өлшеу желінің кернеуі ЖК орамасына жеткізіліп, берілген кернеудің мәні бірінші вольтметрмен өлшенетін етіп жасалады. Екінші вольтметр басқа ораманың кернеуін өлшейді. Бір уақытта вольтметрлер бойынша есептеу қажет. Үш фазалы трансформаторда трансформация коэффициентін өлшеу үш фазалы қоздыру кезінде бір дәлдік класындағы төрт вольтметрдің көмегімен жүзеге асырылады.
Алдымен қуат желісінің сызықтық кернеулерінің симметриясы тексеріледі, содан кейін V4 вольтметрімен ВВ орамасындағы кернеу өлшенеді, содан кейін үш фазадағы кернеу мәндері V1, V2, V3 вольтметрлерімен бір уақытта қосымша өлшенеді. Есепке алу кезінде тербеліс желісіндегі кернеу орындайды, кернеуді өлшеу орамаларындағы. ЖК орамасының кернеу мәнінің жеке фазалардың кернеу мәндеріне қатынасы бойынша трансформация коэффициенті анықталады.
Байланыс құрылғыларындағы токтардың осциллограммаларын алу. Реттелетін жұмыстар кезінде ЖАКР типті реттегіші бар коммутациялық қондырғыларда контактілердің дұрыс реттілігін анықтау үшін дөңгелек диаграмма алынады, RNTA, PC, SCV, SAV, SDV сияқты жылдам жұмыс істейтін коммутациялық аппараттарда контактордың бүкіл жұмыс процесін қосымша осциллографиялау қажет, өйткені осциллограмманы қолдана отырып, контактордың байланыс тізбегінің дұрыстығын және ток тізбегінің тұтастығын анықтауға болады.
Алдымен қуат желісінің сызықтық кернеулерінің симметриясы тексеріледі, содан кейін V4 вольтметрімен ЖК орамасындағы кернеу өлшенеді, содан кейін үш фазадағы кернеу мәндері V1, V2, V3. вольтметрлерімен бір уақытта қосымша өлшенеді. Есепке алу кезінде тербеліс желісіндегі кернеу орындайды, кернеуді өлшеу орамаларындағы. ЖК орамасының кернеу мәнінің жеке фазалардың кернеу мәндеріне қатынасы бойынша трансформация коэффициенті анықталады.
Байланыс құрылғыларындағы токтардың осциллограммаларын алу. Реттелетін жұмыстар кезінде ЖАКР типті реттегіші бар коммутациялық қондырғыларда контактілердің дұрыс реттілігін анықтау үшін дөңгелек диаграмма алынады, RNTA, PC, SCV, SAV, SDV сияқты жылдам жұмыс істейтін коммутациялық аппараттарда контактордың бүкіл жұмыс процесін қосымша осциллографиялау қажет, өйткені осциллограмманы қолдана отырып, контактордың байланыс тізбегінің дұрыстығын және ток тізбегінің тұтастығын анықтауға болады.