Сандық тіркеушісінің (СТ) ерекшеліктері шуылға қарсы қорғаныштың жоғарылауы (қосалқы станцияларда жоғары вольтты электр қондырғыларында жұмыс істейтін электромагниттік өрістерден) және кіріс сигналдарын көпөлшемді сүзу болып табылады. Сандық тіркеуші графикалық дисплейді қолданады, бұл өрісте динамикалық процестердің тіркелуін тез көзбен көруге мүмкіндік береді. Тіркеуші күш трансформаторларының жоғары вольтты орамаларының омдық кедергісін анықтау, орамалардың қосылу тобын автоматты түрде анықтау үшін қолданылады. Оның көмегімен шағын бір фазалы қозу кезінде токтарды (Ixx) және бос жүрістің жоғалуын (Pxx) анықтауға, трансформация коэффициентін өлшеуге (KT), күш трансформаторы орамаларының қысқа тұйықталу кедергісін анықтауға болады (ZK).
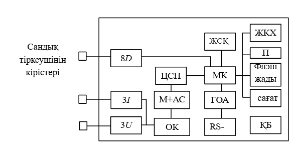
Заманауи сандық әдістер мен жоғары вольтты жабдықты диагностикалаудың жаңа микроэлектрондық құрылғылары нәтижелерді өңдеу процесін автоматтандыруға, көрсеткіштердің дұрыстығын жақсартуға, сынақ уақытын азайтуға, сондай-ақ интеграцияланған дерекқорды құру кезінде қызметкерлердің жұмысын едәуір жеңілдетуге мүмкіндік береді. 6.3 - суретте диагностиканың сандық әдістерін қолдану мысалы ретінде көп функциялы сандық тіркеушінің модификациясы ұсынылған.
Тіркеушінің негізгі элементтері - бұл цифрлық сигнал процессоры ЦСП және MK микроконтроллері, олар құрылғыға берілетін айнымалы токтар мен кернеулерді өңдеу міндетіне ие және олар перифериялық құрылғыларды басқарады. Токтар мен кернеулер, әдетте, трансформаторлардан немесе ток пен кернеу датчиктерінен келеді. Содан кейін жұмыс күшейткіштері осы аналогтық сигналдарды масштабтайды және мультиплекстейді. Күшейткіштердің шығуынан сигналдар аналогтық - сандық түрлендіргіштерге (АСТ) оларды сандық мәндерге айналдыру үшін беріледі, содан кейін оларды ЦСП өңдейді. ЦСП-де есептелген мәліметтерге сәйкес параметрлер есептеледі, олар MK микроконтроллеріне жіберіледі. МК деректерді флэш-жадта визуализациялайды және сақтайды. Сондай-ақ, МК-ға сағат, флэш-жад, дисплей, пернетақта және порт құрылғыларын басқару функциясы жүктелген.

6.3 - сурет. Сандық тіркеуші құрылымы:
3I - ток датчиктері; 3U - кернеу датчиктері; 8D - дискретті сигналдарды енгізу датчиктері; ОК - операциялық күшейткіштер; М+АСТ - мультиплексорлар мен аналогты-цифрлық түрлендіргіштер блогы; ЦСП - цифрлық сигнал процессоры; МК - микроконтроллер; ЖСҚ - жедел сақтау құрылғысы; СКД - сұйық кристалды дисплей; РС-232 сериялық порты, ГОА - гальваникалық оптоэлектронды ажырату; ҚБ - қоректендіру блогы; П - пернетақта; сағат - нақты уақыт сағаттары
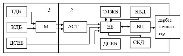
6.4 суретте көп функциялы сандық тіркеушінің жеңілдетілген сызбасы келтірілген. Ол екі бөлікке бөлінген. Бірінші бөлімде арнайы өлшеулер үшін қолданылатын сандық тіркеуші блоктар бар. Екінші бөлім блоктардан тұрады: жад, есептеу, барлық өлшеулерде қолданылатын сандық тіркеу, өлшенетін шамалардың іріктеу жиілігі 50, 400, 600, 3000, 4000 Гц.
Құрылғы 30-ға жуық экранды қолданатын пайдаланушы интерфейсінің көмегімен басқарылады-иерархиялық құрылымды құрайтын мәзір, оның басында 8 бөлімнен тұратын негізгі мәзір пайда болады:

6.4 - сурет. Сандық тіркеушінің жеңілдетілген құрылымы:
1 - қолданылуы сынақ түріне байланысты өзгеретін сандық тіркеуші блоктары; 2 - қолданылуы сынақ түріне байланысты өзгермейтін сандық тіркеуші блоктары. ТДБ - ток датчиктерінің блогы; КДБ - кернеу датчиктерінің блогы; ДСЕБ - дискретті сигналдарды енгізу блогы; М -мультиплексор; АСТ - аналогты-сандық түрлендіргіш; СТІҚБ - сандық тіркеуді іске қосу блогы; ЕБ - есептеу блогы; ЭТЖБ - энергияға тәуелсіз жад блогы; ДЕБ - деректерді енгізу блогы; СКД - сұйық кристалды дисплей; БП - байланыс порты