Микропроцессорлық тіркеуші негізінде күштік трансформаторлардың қосылу топтарын анықтау үшін автоматтандырылған құрылғыны орындауға болады. Құрылғы 6.5-суреттегі құрылымдық электр сызбасына сәйкес жасалады.
Құрылғыда ТТКК тұрақты ток кернеуі көзі, КО коммутациялық органы және сандық тіркеушінің сандық тіркеушісі бар. Құрылғы КТ үш фазалы трансформаторына қосылған.

6.5 - сурет. Үш фазалы трансформатор орамаларының қосылу топтарын анықтауға арналған құрылғы: ТТКК - тұрақты ток кернеуінің көзі; КО - коммутациялық орган; СТ -сандық тіркеуші; КТ - күштік трансформатор
Сандық тіркеуші үш фазалы трансформатордан a,b,с төмен кернеу терминалдарынан үш кернеуді өзгермейтін жадқа тіркей бастайды. Біраз уақыттан кейін КО ТТКК-ны трансформатордың екі жоғары вольтты орамасынан ажыратады, ал жоғары вольтты ораманың тогы ко диодтарымен жабылады, олар КО-ны шектеу элементтерімен бірге ішкі кілттерді шамадан тыс кернеуден қорғайды. Содан кейін КО сандық тіркеушінің басқару кірісінен сигналды өшіреді және трансформатордың жоғары вольтты орамасындағы токтар нөлденеді. Осылайша төмен кернеулі терминалдардан кернеуді тіркеудің үш циклінің біріншісі аяқталады. Жоғары вольтты орамдағы токты нөлге келтіргеннен кейін КО ТТКК-ны трансформатордың ВС терминалдарына қосады.
Жоғарыда аталған барлық операциялар орындалады.
Барлық үш циклды орындағаннан кейін, сандық тіркеушінің ДБ есептеу блогы (сурет 6.6) трансформатордың төмен вольтты шықпаларының белгілері мен сигнал шамаларын қосылыстар тобының анықтамалық мәндерімен салыстырады және трансформатор орамаларының қосылу тобын анықтайды.

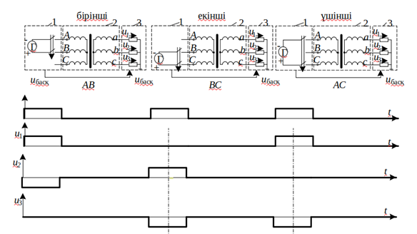
6.6 - сурет. Анықтау кезіндегі жұмысты түсіндіретін уақыт диаграммалары
орамдарды қосудың 12-ші тобы.
1-коммутациялық органы бар тұрақты ток кернеуінің көзі;
2-қуат трансформаторы; 3-сандық тіркеуші
6.4 сурет "Y/Y" сызбасы бойынша жиналған орамалардың қосылыстарының 12-ші тобын анықтаудың үш кезеңі келтірілген.