Дәстүрлі түрде трансформатор орамаларының кедергісін тұрақты ток арқылы өлшеу фазалық түрде жүзеге асырылады. Сандық тіркеуші негізінде трансформатордың барлық үш фазасында бір уақытта омдық кедергілерді өлшеуге болады. Бұл әдіс 110 кВ және одан жоғары кернеулі трансформатор орамаларының кедергісін алынған бейтараппен өлшеуге жақсы сәйкес келеді.
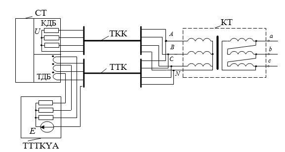
6.5 суретте трансформатордың барлық фазаларында бір уақытта тұрақты токқа орамалардың кедергісін автоматты түрде өлшеуге арналған құрылғының құрылымдық диаграммасы келтірілген.
Құрылғы ТТТКҮА тұрақтандырылған тұрақты ток кернеуінің үш арналы көзінен және жалпы кернеуі бар үш кіріс және үш ток кірісі бар сандық тіркеушіден тұрады. Олар ТКК және ТТК төрт сымды кабельдері арқылы зерттелетін трансформатор КТ 6.7 суретке қосылады.

6.7 - сурет. Орамдардың тұрақты токқа кедергісін өлшеу сызбасының жалпы көрінісі: ТТТКҮА-3-арналы тұрақты ток кернеуінің көзі; СТ-сандық тіркеуші; ТКК- 4-сымды кернеу кабелі; ТТК - 4-сымды ток кабелі; КТ-зерттелетін 3-фазалық күштік трансформатор
Егер трансформаторда ЖАКР болса, онда құрылғы мынадай ретпен жұмыс істейді: ЖАКР "1" күйіне ауыстырылады. ТТТКҮШ қуат желісі, трансформатор орамалары, сандық тіркеушінің ток тізбектері, төрт сымды ток сымы арқылы ток өтеді. Трансформатор терминалдарынан ТКК кернеу кабелі арқылы кернеу сандық тіркеуші кернеуінің кірістеріне жеткізіледі. Трансформатордың орамасындағы ток өтпелі кезеңге байланысты өте баяу өседі, мысалы, ТДН-16000/110/10 трансформаторы үшін токты тұрақтандыру уақыты шамамен 10 минутты құрайды.
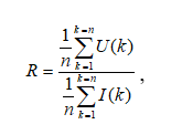
ТДБ және КДБ блоктары арқылы әр фазадан келетін токтар мен кернеулер АСТ сандық мәндерге айналады. Содан кейін ЕБ блогында фазалық орамалардың кедергісі орташа кернеуді орташа фазалық токқа бөлу арқылы есептеледі:

мұндағы п - бақылау және орташалау аралықтары іріктемелерінің жалпы саны; U(k), I(k)- тиісінше кернеу мен токтың іріктемелері.
Орам фазаларындағы токтардың толық тұрақтануына дейін есептелген кедергілердің біркелкі өзгеруі байқалады. СТІҚБ көмегімен кедергі шамаларын белгілегеннен кейін бэп хаттамасына есептелген деректерді жазуға команда беріледі. Содан кейін келесі өлшеу циклі басталады: ЖАКР 2-күйге ауыстырылады және токтардың тұрақтануын күтеді және жаңа деректердің ЭТЖБ хаттамасына жазылады. "ЖАКР ауыстырып қосу – токты тұрақтандыруды күту – ЭТЖБ хаттамасына жазу" циклдері ЖАКР-нің барлық ережелері үшін жүргізіледі.