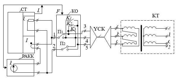
Сандық тіркеуші негізінде шағын бір фазалы қоздыру кезінде ток пен бос шығынды автоматты түрде анықтау 6.8 суретте көрсетілген автоматтандырылған құрылғының құрылымдық электр тізбегіне сәйкес жүзеге асырылуы мүмкін.

6.8 - сурет.Токты және бос жүрісті жоғалтуды өлшеу құрылғысының құрылымдық электр сызбасы: РАКК - реттелетін ауыспалы кернеу көзі; СТ-сандық тіркеуші; КО-коммутациялаушы орган; ҮСК-біріктіруші үш сымды кабель; КТ-сыналатын күштік трансформатор
Құрылғы басқару кірісі бар реттелетін айнымалы кернеу көзінен РАКК, d шығысы бар кернеу мен ток бойынша бір кірісі бар сандық тіркеушіден, екі кірісі (1 және 2) және үш шығысы (3,4,5), сондай-ақ басқару кірісі (F) бар коммутациялық органнан тұрады. Құрылғы КТ трансформаторымен ҮК үш өту кабелінің көмегімен қосылған.
Шағын бір фазалы қоздыру кезінде ток пен бос шығынды автоматты түрде анықтау келесі ретпен жұмыс істейді: ол РАКК және сандық тіркеуші желісіне қосылады. Содан кейін d басқару шығысы арқылы сандық тіркеуші коммутациялық органның F басқару кірісіне сигнал жібереді. KО 1 және 2 кірістерін P1 және P2 қосқыштарының көмегімен 3 және 4 шығыстарына қосады. 3 және 4 КО шығысы үш сымды ҮШК кабелі арқылы трансформатордың төмен вольтты орамасының a және b фазаларының қысқыштарымен қосылған. Бір уақытта КО органының K1 түйіспесі жабылады. Осы операциялардың нәтижесінде Uab кернеуі мен Iab тогын, ток пен кернеу арасындағы фазалық айырмашылықты, желінің жиілігін және трансформатордың a және b сандық фазалық тіркеушісінің бос тұрған шығынын өлшеуге арналған тізбек жасалады.
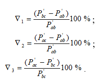
РАКК кернеуі белгілі бір мәнге біртіндеп артады. АСТ ток және кернеу датчиктерінен сигналдарды сандыққа түрлендіреді. Содан кейін ЕБ Фурье түрлендіруін орындайды және бірінші гармониканың белсенді мәні мен фазалық айырмашылығын анықтайды және анықтайды, содан кейін синусоидалы кернеудің белсенді мәнін ток пен олардың арасындағы бұрыштың косинусына көбейту арқылы а және b фазаларының бос жоғалуы есептеледі. Содан кейін есептелген деректер СКД-мен көрсетіледі және ЭТЖБ жад блогына жазылады, содан кейін ac фазаларын өлшеу үшін сызба қосылады және цикл қайталанады. Барлық өлшеу циклдары аяқталғаннан кейін ЕБ формулалар бойынша өлшенген фазалардың бос жүрісі (∇) ысыраптарының пайыздық ауытқуын есептейді:

Содан кейін мәндер ∇1, ∇2, ∇3 ЭТЖБ-те жазылады және СКД-де көрсетіледі, барлық контактілер бастапқы позицияға қайтарылады.