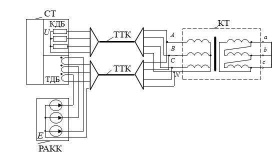
Сандық тіркеушіні қолдана отырып, электр трансформаторының орамаларының қысқа тұйықталу кедергісін автоматты түрде анықтау 6.10 суретте келтірілген құрылымдық электр тізбегі негізінде жүзеге асырылады. Құрылғы жалпы шығысы бар РАКК-ден тұрады; жалпы шығысы бар үш кернеу арнасы және үш ток арнасы бар сандық СТ тіркеушісі; төрт сымды ТКК кернеу кабельдері және ТТК тогы; зерттелетін қуат трансформаторы КТ.

6.10- сурет. Zk анықтау құрылғысының құрылымдық электр тізбегі: РАКК - реттелетін айнымалы кернеу көзі; СТ - сандық тіркеуші; ТСКК - төрт сымды кернеу кабелі; ТТК - төрт сымды ток кабелі; КТ - сыналатын күштік трансформатор.
ЖАКР жүктемесінде кернеу реттегіші бар үш фазалы трансформатордағы орамалардың қысқа тұйықталу кедергісін анықтау келесі тәртіпте жүзеге асырылады. ЖАКР "1" ережесіне ауыстырылады. РАКК қосылады және үш фазалы трансформатордың орамалары, сандық тіркеушінің ток тізбектері және төрт сымды ток сымы арқылы ток өтеді. Кернеу трансформатордың қысқыштарынан алынады, ол төрт сымды кабель арқылы сандық тіркеушінің кернеу қысқыштарына түседі.
АСТ әр фазаның аналогтық ток және кернеу сигналдарын сандыққа айналдырады. Содан кейін ЕБ есептеу блогында барлық үш фазаның орамасының жалпы кедергісі есептеледі және алынған мәліметтер ЭТЖБ және СКД ұшпайтын жады блогына беріледі.
"Өлшеу - есептеу - визуализация" циклы секундына бір рет өткізіледі. Оператор берген пәрмен бойынша, СТІҚБ сандық тіркеуді іске қосу блогы арқылы алынған деректер энергияға тәуелсіз жады блогында сақталатын хаттамаға жазылады. Содан кейін ЖАКР-ді аударып, ЭТЖБ-ке келесі хаттамалық жазба жасау қажет. Құрылғы Zk қысқа тұйықталу кедергісінің толық жазбасын ұшпайтын жады блогынан БП байланыс порты арқылы дербес компьютерге беруді қамтамасыз етеді, бұл деректерді талдау мүмкіндіктерін едәуір кеңейтеді.