ЖВ коммутация процесін қосу режимінде де, өшіру режимінде де (және жұмыс істейтін электр жетегімен) сандық осциллографиялау әдісі ажыратқыштың параметрлерін және оның сипаттамаларын анықтау дәлдігін арттыруға мүмкіндік береді. Мұндай әдіс қоршаған ортаны ластау мүмкіндігін болдырмайды, оны жүзеге асыру кезінде еңбек шығындарын азайтады, жұмыс жүргізу жағдайларын жақсартады, өлшенетін шамаларды қолмен өңдеудің орнына электрондық түрде деректер базасын қалыптастыруды автоматтандыруды қамтамасыз етеді [31].
Бұл әдіс қосу режимінде де, өшіру режимінде де ажыратқыштың байланыс жүйесінде уақыттың параметрлерін, жылдамдық пен жүру сипаттамаларын, дірілдің болуын немесе болмауын анықтауға мүмкіндік береді. Оның көмегімен шунтталатын кедергілердің жарамдылығын анықтап қана қоймай, олардың шамаларын да бағалауға болады.
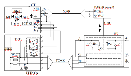
6.11 суретте ЖВ сипаттамаларын жедел басқаруға арналған құрылғының жеңілдетілген схемасы көрсетілген. Онда үш арналы тұрақты ток кернеуі көзі бар, онда дәл белсенді кедергілер блогы және кернеуді жалпы "жер"бар токқа айналдыру блогы бар.

6.11 - сурет. Жоғары вольтты ажыратқыштардың сипаттамаларын бақылау құрылғысының сызбасы:
СТ – сандық тіркеуші, мұнда КДБ – кернеу датчигының блогы, ТДБ – ток датчигының блогы, АСТ – аналогты-сандық түрлендіргіш, ЭТЖБ – ұшпайтын жад блогы, ЕБ – есептеу блогы, СТІҚБ – сандық тіркеуді іске қосу блогы, СКД – сұйық кристалды дисплей, БП – компьютермен байланыс порты; ТТТКҮА – тұрақты токтың үш арналы кернеу көзі, мұнда ДБҚБ – дәл белсенді қарсылық блогы, ТКТБ – токқа кернеу түрлендіргіш блогы; ҮСК – үш сымды қосылым кабелі; ТСЖК – жалғағыш төрт сымды кабель; ВАҚБҚ және P - жоғары вольтты ажыратқыштың қозғалмалы бөліктерінің қозғалыс жылдамдығы мен жүріс блогы; СЖӨ - ажыратқыштың А фазасының сыртқы жылжымалы өзегі; ЖВ – жоғары вольтты ажыратқыш, мұнда RА1, RА2 -ажыратқыштың а фазасының шунтталатын кедергісі; ДС - доға сөндіргіш контактілер; НК-ажыратқыштың А фазасының негізгі контактілері
Сызбаның негізгі элементі – үш сымды ҮСК және төрт сымды ТСЖК кабельдерімен қосылған, ВАҚБҚ және P қозғалыс жылдамдығы блогының екі шығыс арнасы бар, жалпы нөлдік шығысы бар және сәйкесінше жоғары вольтты вв терминалдарына қосылған сандық СТ тіркеушісі. Өз кезегінде, ВАҚБҚ және P ажыратқыштың сыртқы жылжымалы өзегіне механикалық түрде бекітілген сандық тіркеушінің тиісті бағдарламалық жасақтамасымен қашықтағы жылдамдық сенсорларын қолдану ажыратқыштың жылдамдық пен жүріс сипаттамаларын тіркеуге мүмкіндік береді, бұл коммутаторды жөндеуге дейін және одан кейін механикалық бөліктердің жай-күйінің сапасын бағалау үшін өте маңызды.
ЖВ бақылау әдісі негізгі кезеңдердің реттілігінен тұрады. Бірінші кезеңде ажыратқыштың үш фазасының байланыс жүйесіндегі токтарды бір мезгілде цифрлық тіркеу жүргізіледі және қозғалыс жылдамдығы, сондай-ақ ажыратқыштың жылжымалы бөліктерінің жүрісі оны қосу және ажырату режимінде, бакты ашпай және трансформатор майын ағызбай синхронды тіркеледі.
Келесі кезеңде алынған осциллограммаларды оларды қосу режимінде де, ажыратқышты өшіру режимінде де төрт аралыққа автоматты түрде бөлу арқылы талдау жасалады.
Сандық осциллограммалардың жоғары ажыратымдылығының арқасында негізгі және доға сөндіргіш байланыстардың жұмысын маневрлік кедергілермен дәйекті түрде тіркеуге болады.
Электромагнитті жетегі бар ажыратқышты қосу циклінде электр қуаты электромагнитке берілгеннен кейін қозғалыс ажыратқыштың траверс деп аталатын бір тарту арқылы басталады (оқшауланған штангасы мен негізгі түйіспелері бар "1" символы түріндегі ажыратқыш элементі). Қозғалыс кезінде траверс алдымен негізгі контактілерді жауып тастайды және әр фазадағы ажыратқыштың терминалдары арасында екі шунттаушы кедергі тізбектеліп қосылады. Одан әрі қозғалысы траверстер доға сөндіргіш байланыс қысқа тұйықталады және екі кедергіге де шунтталады.
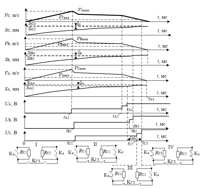
Осыған байланысты, ұсынылған әдіспен сандық осциллограммаларды талдау алдымен оларды қосу режимінде (6.10 сурет) және өшіру режимінде (6.11 сурет) әр фазаның шартты түрде коммутатордың байланыс жүйесінің әр түрлі күйіне сәйкес келетін бірнеше уақыт аралығына бөледі.
Қосу режимінде, мысалы, осы аралықтардың біріншісі - траверс қозғалысының басталу сәтінен бастап негізгі контактінің жабылуына дейінгі уақыт аралығы, осциллограммалардағы тиісті уақыт сәйкесінше А, В және С фазаларында көрсетілген: (0-tA1), (0-tB1), (0-tC1).
Екінші аралық – негізгі контактілердің тұйықталу сәтінен бастап доға сөндіру камералары полюстерінің бірінің доға сөндіру контактілерінің тұйықталуына дейінгі уақыт, осциллограммалардағы интервалдардың шекаралары тиісінше В және С фазаларында көрсетілген: (tA1-tA2), (tB1-tB2), (tC1-tC2).
Үшінші аралық – доға сөндіру камераларының полюстерінің бір иығының доға сөндіру түйіспелерінің тұйықталу сәтінен бастап ажыратқыш полюстерінің екі иығының доға сөндіру түйіспелерінің тұйықталуына дейінгі уақыт: (tA2-tА3), (tВ2-tB3), (tC2-tC3).
Сонымен, төртінші интервал – бұл полюстің екі иығының доғалық түйіспелері жабылған сәттен бастап жоғары вольтты қосқыштың қозғалмалы бөліктерінің қозғалысы толық аяқталғанға дейінгі уақыт аралығы: (tA3-tА4), (tВ3-tB4), (tC3-tC4).
Әдістің үшінші кезеңінде ажыратқыштың қозғалмалы бөліктерінің жылдамдық және жүру сипаттамаларының нормаланған параметрлері анықталады. Сонымен, ажыратқышты қосу режиміндегі полюстің максималды жылдамдығы - бұл тиісті фазаның жылдамдық осциллограммасындағы қисықтың максимумы.

6.12 - сурет. Қосу режимінде шунтталатын кедергілері бар жоғары вольтты ажыратқыштар сипаттамаларының біріктірілген осциллограммалары
Жоғары вольтты ажыратқышты өшіру режиміндегі максималды жылдамдық - осы режимдегі тиісті фазаның осциллограммасының абсолютті мәні. А, В, С полюстерінің ажыратқышының қосылу жылдамдығы ажыратқышты қосу режимінде tА1, tB1, tС1 сәттерінде тиісті полюстердегі жылдамдық мәні ретінде, ал A, B, C полюстерінің жоғары вольтты ажыратқышының өшіру жылдамдығы сәйкесінше tА1, tB1, tС1 сәттерінде ажыратқышты өшіру режимінде болады.
Ажыратқыштың тиісті полюстерінің қозғалмалы бөліктерінің толық жүрісі аралықтарда жылжу ретінде ΔSА[0, tА4], ΔSВ[0, tB4], ΔSС[0, tС4] ажыратқышты қосу режимінде осциллограммалар бойынша болады.
Жоғары вольтты ажыратқыштың полюстерінің жылжымалы түйіспелерінің жүрісі (ЖЖМ) аралықтарда орын ауыстыру ретінде ΔSА[tА3, tА4], ΔSВ[tB3, tB4], ΔSС[tС3, tС4] Ажыратқышты қосу режимінде осциллограммалар бойынша болады.
Жоғары вольтты ажыратқыш полюстерінің симметриялы иықтарының доға сөндіргіш түйіспелерінің қосылу режиміндегі әртүрлі уақыттылығы ΔSА[tА2, tА3], ΔSВ[tB2, tB3], ΔSС[tС2, tС3] аралықтарда орын ауыстырудың осциллограммалары бойынша болады.
Қосу режиміндегі жоғары вольтты ажыратқыштың полюстерінің симметриялы иықтарының доға сөндіргіш түйіспелерінің әртүрлі уақыттылығы ΔSА[tА1, tА2], ΔSВ[tB1, tB2], ΔSС[tС1, tС2] аралықтарында орын ауыстырудың осциллограммалары бойынша орналасқан.
Ажыратқышты қосу режиміндегі түйіспелердің әртүрлі уақыттылығы (мм-де) мынадай түрде болады: қосу уақытының барынша озыңқы сәті бар фаза таңдалады, содан кейін қосылатын бірінші фазаның доға сөндіргіш түйіспелерінің тұйықталу сәтінен бастап басқа екі фазаның доға сөндіргіш түйіспелерінің тұйықталу сәтіне дейінгі уақыт ішінде жоғары вольтты ажыратқыштың басқа екі траверсінің орын ауыстыруы болады.
Әдістің келесі кезеңінде табылған жоғары вольтты ажыратқыш сипаттамаларының параметрлері нормаланған мәндермен автоматты түрде салыстырылады.
Сонымен қатар, жоғары вольтты ажыратқыштың алынған сипаттамаларын бұрын алынған осциллограммалармен салыстыруға болады (мысалы, ажыратқышты жөндеуге дейін және одан кейін алынған осциллограммалар салыстырылады).
Ажыратқышты өшіру режимінде бірінші интервал – бұл жылжымалы бөліктердің қозғалуының басынан бастап ажыратқыш полюстің бірінші иығының доғалы байланыстарының ашылуына дейінгі кезең (6.13 сурет).
Екінші интервал – ажыратқыш полюстің бірінші иығының доғалы контактілерін ашудан ажыратқыш полюстің екінші иығының доғалы контактілерін ашқанға дейінгі уақыт.
Үшінші интервал – полюстің екінші иығының доғалы контактілерін ашудан ажыратқыштың негізгі контактілерін ашқанға дейінгі уақыт, ал төртінші интервал – полюстің негізгі контактілері ашылған сәттен бастап ажыратқыштың қозғалмалы бөліктері тоқтағанға дейінгі уақыт.
Ажыратқышты қосу режиміндегі үшінші аралықтың ұзақтығы және жоғары вольтты ажыратқыштың өшіру режиміндегі екінші аралықтың ұзақтығы байланыс жүйесінің дәл реттелуіне тікелей байланысты екенін және егер ол дұрыс орнатылса, ол нөлге тең болатындығын ескеріңіз.

6.13 - сурет. Ажырату режиміндегі шунтталатын кедергілері бар жоғары вольтты майлы ажыратқыш сипаттамаларының біріктірілген осциллограммалары