Тема 1
Применение энергетических методов в инженерной механике
План:
1.Решение задач по определению энергетических параметров упругих систем.
Типовое задание 1. Вычислить потенциальную энергию деформации упругой системы U, приведенной на рисунке. Жесткость стержня EI считается постоянной.
Типовое задание 2. Вычислить действительную работу внешних сил V для системы, приведенной на рисунке.
Типовое задание 3. Найти указанное перемещение для системы, приведенной на рисунке, используя закон сохранения энергии (V+W=0). Здесь V – действительная работа внешних сил, W - действительная работа внутренних сил.
Примечание. Конкретный тип схемы может быть уточнен для каждого обучающегося.
Литература: [7] – [ 10].
Тема 2
Составление матричного уравнения метода конечных элементов упругой системы
План:
1.Решение задачи по определению матриц жесткости упругой системы.
2.Построение матричного уравнения метода конечных элементов системы
Задание 1. Определить смещения узлов 2,3 и реакции в узлах 1,4 для системы, приведенной на рисунке. Здесь е1, е2, е3 – упругие элементы системы; С – жесткость элемента; Р – сосредоточенные силы.
Задание 2. Составить матричное уравнение метода конечных элементов для приведенной в задании 1 упругой системы с использованием энергетического подхода.
Примечание. Конкретные значения параметров С, Р выдаются индивидуально каждому обучающемуся.
Литература: [7] – [10].
Тема 3
Расчет статически определимых систем по программе SCAD
План:
1.Определение внутренних усилий в шарнирно-стержневой конструкции.
2.Определение внутренних усилий в многопролетной шарнирной балке.
3.Формирование отчетов по результатам расчетов.
Задача 1. Определить внутренние усилия в шарнирно-стержневой конструкции, приведенной на рисунке 1. Варианты геометрических размеров и величин нагрузок приведены в таблице 1.
Рисунок 1 – Расчетная схема конструкции
Таблица 1 – Исходные данные для расчета конструкции
|
Данные |
Последняя цифра зачетной книжки |
|||||||||
|
0 |
1 |
2 |
3 |
4 |
5 |
6 |
7 |
8 |
9 |
|
|
а, м |
0,6 |
0,8 |
1,0 |
1,2 |
1,4 |
1,6 |
1,8 |
2,0 |
2,2 |
2,4 |
|
F, кН |
30 |
40 |
50 |
60 |
70 |
80 |
90 |
100 |
110 |
120 |
|
Уголок |
100×10 |
110×8 |
125×10 |
140×12 |
160×12 |
180×12 |
220×14 |
220×14 |
250×16 |
250×16 |
Задача 2. Построить эпюры усилий M и Q в многопролетной шарнирной балке, приведенной на рисунке 2. Геометрические размеры и величины нагрузок на балку приведены в таблице 2. Варианты С, D определяются по последней цифре зачетной книжки.
Рисунок 2 – Расчетная схема балки
Таблица 2 – Геометрические размеры и нагрузки на балку

Литература: [7]- [10], [25].
Тема 3
Расчет напряженно-деформированного состояния арки и панели с проемом
План:
1.Определение внутренних усилий в арке.
2.Определение напряженно-деформированного состояния панели с проемом
3.Формирование отчета по результатам расчетов.
Задача 3. Определить компоненты напряженно-деформированного состояния приведенной на рисунке 1.Варианты геометрических размеров и величин нагрузок приведены в таблице 1.Поперечное сечение арки b×h=0,5×1,0 м.
Таблица 1 – Исходные данные для расчета балки
|
Данные |
Последняя цифра зачетной книжки |
|||||||||
|
0 |
1 |
2 |
3 |
4 |
5 |
6 |
7 |
8 |
9 |
|
|
R, м |
15 |
16 |
17 |
18 |
19 |
20 |
21 |
22 |
23 |
24 |
|
F, кН |
30 |
40 |
50 |
60 |
70 |
80 |
90 |
100 |
110 |
120 |
Примечание. Произвести стандартный расчет и расчет, вписав в ось арки ломаную из восемнадцати звеньев. При выполнении операции использовать инструмент «генерация узлов по дуге» или «ввод элементов по дуге» (в этом случае одновременно задать жесткости элементов).
Рисунок 1 – Расчетная схема арки
Задача 2.Определить компоненты напряженно-деформированного состояния стеновой панели с проемом от заданной нагрузки (рисунок 2). Варианты геометрических размеров и величин нагрузок приведены в таблице 2.
Рисунок 2 – Расчетная схема панели с проемом
Таблица 2 – Исходные данные для расчета панели
|
Данные |
Последняя цифра зачетной книжки |
|||||||||
|
0 |
1 |
2 |
3 |
4 |
5 |
6 |
7 |
8 |
9 |
|
|
L, м |
6,0 |
6,2 |
6,4 |
6,6 |
6,8 |
7,0 |
7,2 |
7,4 |
7,6 |
7,8 |
|
Н, м |
3,0 |
3,1 |
3,2 |
3,3 |
3,4 |
3,5 |
3,6 |
3,7 |
3,8 |
3,9 |
|
h, м |
0,30 |
0,32 |
0,34 |
0,46 |
0,38 |
0,40 |
0,42 |
0,44 |
0,46 |
0,48 |
|
q, кН/м |
10 |
12 |
14 |
16 |
18 |
20 |
22 |
24 |
26 |
28 |
|
Бетон |
В15 |
В15 |
В15 |
В20 |
В20 |
В20 |
В20 |
В22 |
В22 |
В22 |
Методическое указание. Последовательность решения задачи: 1) задать координаты четырех узлов на контуре панели; 2) ввести конечный элемент пластины; 3) изменить тип конечног8о элемента с №44 на № 21; 4) назначить жесткость конечному элементу; 5) разделить панель на 8 частей по горизонтали и шесть по вертикали; 6) удалить элементы в месте проема; 7) установить опорные связи; 8) приложить нагрузку; 9) выполнить необходимые операции по расчету.
Литература: [7]- [10], [26].
Тема 3
Расчет плоской статически неопределимой рамы по программе SCAD
План:
1.Построение эпюр усилий M и Q, перемещений узлов в раме расчетом на компьютере по программе SCAD.
2.Составление отчета по результатам расчета.
Задача. Определить усилия в стержнях и перемещения узлов статически неопределимой железобетонной рамы (бетон класса В20) рамы по программе SCAD. Схема балки и действующие нагрузки приведена на рисунке 1. Варианты геометрических размеров и величин нагрузок приведены в таблице 1.
Рисунок 1 – Расчетная схема рамы
Таблица 1 – Исходные данные для расчета рамы
|
Данные |
Последняя цифра зачетной книжки |
|||||||||
|
0 |
1 |
2 |
3 |
4 |
5 |
6 |
7 |
8 |
9 |
|
|
L, м |
6,0 |
6,2 |
6,4 |
6,6 |
6,8 |
7,0 |
7,2 |
7,4 |
7,6 |
7,8 |
|
H, м |
5,8 |
6,0 |
6,2 |
6,4 |
6,6 |
6,8 |
7,0 |
7,2 |
7,4 |
7,6 |
|
F1, кН |
24 |
22 |
20 |
18 |
16 |
14 |
12 |
10 |
8 |
6 |
|
F2, кН |
34 |
32 |
30 |
28 |
26 |
24 |
22 |
20 |
18 |
16 |
|
∆, см |
1,5 |
2,0 |
2,5 |
3,0 |
3,5 |
4,0 |
4,5 |
5,0 |
5,5 |
6,0 |
|
М, кН*м |
10 |
12 |
14 |
16 |
18 |
20 |
18 |
16 |
14 |
12 |
|
q, кН/м |
6 |
8 |
10 |
12 |
14 |
16 |
18 |
20 |
22 |
24 |
Литература: [7]- [10], [26].
Тема 3
Расчет пространственной статически неопределимой рамы по программе SCAD
План:
1.Построение эпюр усилий M и Q, перемещений узлов в раме расчетом на компьютере по программе SCAD.
2.Составление отчета по результатам расчета.
Задача. Определить усилия в стержнях и перемещения узлов статически неопределимой железобетонной рамы (бетон класса В20) рамы по программе SCAD. Схема балки и действующие нагрузки приведена на рисунке 1. Варианты геометрических размеров и величин нагрузок приведены в таблице 1.
Рисунок 1 – Схема рамы
Таблица 1 – Исходные данные для расчета рамы
|
Данные |
Последняя цифра зачетной книжки |
|||||||||
|
0 |
1 |
2 |
3 |
4 |
5 |
6 |
7 |
8 |
9 |
|
|
L, м |
6,0 |
6,2 |
6,4 |
6,6 |
6,8 |
7,0 |
7,2 |
7,4 |
7,6 |
7,8 |
|
H, м |
5,8 |
6,0 |
6,2 |
6,4 |
6,6 |
6,8 |
7,0 |
7,2 |
7,4 |
7,6 |
|
F1, кН |
24 |
22 |
20 |
18 |
16 |
14 |
12 |
10 |
8 |
6 |
|
q1, кН/м |
34 |
32 |
30 |
28 |
26 |
24 |
22 |
20 |
18 |
16 |
|
q2, кН/м |
6 |
8 |
10 |
12 |
14 |
16 |
18 |
20 |
22 |
24 |
|
Колонна |
30 К1* |
30 К2 |
30 К3 |
35 К1 |
35 К2 |
35 К3 |
40 К1 |
40 К1 |
40 К1 |
40К2 |
|
Ригель, распорка |
30 Ш1** |
30 Ш2 |
30 Ш3 |
35 Ш1 |
35 Ш2 |
35 Ш3 |
40 Ш1 |
40 Ш1 |
40Ш2 |
40Ш2 |
*двутавр колонный; ** двутавр широкополочный
Общие указания к решению задачи. 1) Создать первоначально схему плоской рамы (рисунок 1а). Нагрузки q1, F1приложить в первом загружении. 2) Создать расчетную схему пространственной рамы. Нагрузки q2приложить во втором загружении (рисунок 1б). Выполнить расчет пространственной рамы.
Последовательность выполнения задачи:
- выбрать тип схемы №5;
- создать плоскую раму (задать узлы, ввести элементы, задать жесткости, приложить нагрузки q1, F1в загружении № 1);
- при установке опорных связей учесть, что колонны имеют жесткое защемление в плоскости и из плоскости рамы;
- скопировать плоскую раму в направлении оси У с шагом м6 м два раза (выбрать опцию «копирование нагрузок»);
- установить распорки;
- приложить нагрузки q2 в загружении №2;
- выполнить расчет и сформировать отчет.
Литература: [7]- [10], [26].
Тема 4
Расчет железобетонной безраскосной фермы
План:
1.Определение внутренних усилий в элементах фермы от заданных нагрузок.
2.Подбор арматуры в характерных сечениях стоек, верхнего и нижнего поясов фермы из бетона класса В30 с использованием программы SCAD.
3.Формирование отчета по результатам расчетов.
Задача. Определить компоненты напряженно-деформированного состояния в элементах безраскосной фермы, приведенной на рисунке 1 и выполнить подбор требуемой арматуры в центральной стойке, верхнем и нижнем поясах фермы по программе SCAD. Материал фермы – бетон класса В30. Сечения фермы: верхний пояс - 200×200 мм; нижний пояс - 200×180 мм; стойки - 150×180 мм. Варианты нагрузок приведены в таблице 1.
Рисунок 1 – Расчетная схема безраскосной фермы
Таблица 1 – Варианты нагрузки для расчета фермы
|
Данные |
Последняя цифра зачетной книжки |
|||||||||
|
0 |
1 |
2 |
3 |
4 |
5 |
6 |
7 |
8 |
9 |
|
|
F, кН |
70 |
75 |
80 |
85 |
90 |
95 |
100 |
105 |
110 |
115 |
Литература: [8], [9], [18], [26].
Тема 4
Расчет элементов железобетонных конструкций поперечной рамы одноэтажного промышленного здания
План:
1.Определение внутренних усилий в элементах рамы от заданных нагрузок.
2.Подбор арматуры в характерных сечениях стоек и ригеля рамы из бетона класса В35 с использованием программы SCAD.
3.Формирование отчета по результатам расчетов.
Задача. Определить компоненты напряженно-деформированного состояния в элементах поперечной рамы, приведенной на рисунке 1. Варианты геометрических размерови величин нагрузок приведены в таблице 1.
Рисунок 1 – Расчетная схема рамы
Таблица 1 – Исходные данные для расчета балки
|
Данные |
Последняя цифра зачетной книжки |
|||||||||
|
0 |
1 |
2 |
3 |
4 |
5 |
6 |
7 |
8 |
9 |
|
|
а, м |
0,6 |
0,8 |
1,0 |
1,2 |
1,4 |
1,6 |
1,8 |
2,0 |
2,2 |
2,4 |
|
b, см |
40 |
40 |
50 |
50 |
60 |
60 |
70 |
80 |
90 |
100 |
|
h, см |
60 |
60 |
80 |
80 |
100 |
120 |
140 |
160 |
180 |
200 |
|
q, кН/м |
6 |
8 |
10 |
12 |
14 |
16 |
18 |
20 |
22 |
24 |
|
F, кН |
30 |
40 |
50 |
60 |
70 |
80 |
90 |
100 |
120 |
140 |
|
Уголок |
100×10 |
110×8 |
125×10 |
140×12 |
160×12 |
180×12 |
220×14 |
220×14 |
250×16 |
250×16 |
Литература: [8], [9], [18], [26].
Проектирование железобетонных конструкций по программе SCAD-АРБАТ
План:
1.Построение эпюр внутренних усилий в железобетонных конструкциях расчетом на компьютере по программе SCAD - АРБАТ.
2.Подбор арматуры в конструкциях по программе SCAD - АРБАТ.
3.Составление отчета по результатам расчетов.
Задача 1.Определить напряженно-деформированное состояние неразрезной железобетонной балки (бетон класса В20) сечением: ширина 30 см, высота – 50 см. Выполнить по программе SCAD–АРБАТ подбор необходимой арматуры.
Схема балки и действующие нагрузки приведена на рисунке 1. Варианты геометрических размеров и величин нагрузок приведены в таблице 1.
Рисунок 1 – Расчетная схема балки
Таблица 1 – Исходные данные для расчета балки
|
Данные |
Последняя цифра зачетной книжки |
|||||||||
|
0 |
1 |
2 |
3 |
4 |
5 |
6 |
7 |
8 |
9 |
|
|
а, м |
0,6 |
0,8 |
1,0 |
1,2 |
1,4 |
1,6 |
1,8 |
2,0 |
2,2 |
2,4 |
|
F, кН |
30 |
40 |
50 |
60 |
70 |
80 |
90 |
100 |
110 |
120 |
|
М, кН*м |
10 |
12 |
14 |
16 |
18 |
20 |
22 |
24 |
26 |
28 |
|
q, кН/м |
6 |
8 |
10 |
12 |
14 |
16 |
18 |
20 |
22 |
24 |
Задача 2. Поперечный изгиб пластин. Построить эпюры прогибов и усилий для прямоугольной железобетонной пластины (рисунок 2) с арматурой класса А-III, загруженной равномерно распределенной нагрузкой q. Выполнить по программе SCAD–АРБАТ подбор необходимой арматуры. Варианты опирания плиты по контуру: 1 – шарнирное опирание по контуру; 2 – жесткое закрепление по контуру; 3 – шарнирное закрепление по двум сторонам по направлению размера «а» и жесткое – по сторонам в направлении размера «b». 4 – шарнирное закрепление по двум сторонам по направлению размера «b» и жесткое – по сторонам в направлении размера «a». Геометрические размеры и нагрузки на плиту приведены в таблице 2.
Таблица 2 – Варианты исходных данных для расчета плиты
|
Данные |
Последняя цифра зачетной книжки |
|||||||||
|
0 |
1 |
2 |
3 |
4 |
5 |
6 |
7 |
8 |
9 |
|
|
а, м |
3,0 |
3,2 |
3,4 |
3,6 |
3,8 |
4,0 |
4,2 |
4,4 |
4,6 |
4,8 |
|
b, м |
4,8 |
4,6 |
4,4 |
4,2 |
4,0 |
3,8 |
3,6 |
3,4 |
3,2 |
3,0 |
|
h, м |
0,08 |
0,08 |
0,08 |
0,10 |
0,10 |
0,10 |
0,10 |
0,12 |
0,12 |
0,12 |
|
q, кН/м2 |
1,8 |
1,8 |
1,9 |
1,9 |
2,0 |
2,0 |
2,1 |
2,1 |
2,2 |
2,2 |
|
Класс бетона |
В15 |
В15 |
В15 |
В20 |
В20 |
В20 |
В20 |
В22 |
В22 |
В22 |
|
Тип опирания |
1 |
1 |
2 |
2 |
3 |
3 |
4 |
4 |
2 |
1 |
Рисунок 2 – Расчетная схема плиты
Литература: [8], [9], [19], [26].
Расчет металлической фермы
План занятия:
1 Определение внутренних усилий в шарнирно-стержневой металлической ферме.
2.Подбор элементов поясов и решетки фермы по программе КРИСТАЛЛ.
3.Формирование отчета по результатам расчетов.
Задача. Определить внутренние усилия в элементах фермы по программе SCADи произвести подбор по программе КРИСТАЛЛ заданных поперечных сечений фермы. Расчетная схема фермы приведена на рисунке 1. Исходные данные для расчета фермы приведены в таблице 1.
Рисунок 1 – Расчетная схема фермы
Таблица 1 – Исходные данные для расчета фермы
|
Данные |
Последняя цифра зачетной книжки |
|||||||||
|
0 |
1 |
2 |
3 |
4 |
5 |
6 |
7 |
8 |
9 |
|
|
L, м |
16 |
18 |
20 |
22 |
24 |
26 |
28 |
30 |
32 |
34 |
|
Н, м |
2,0 |
2,2 |
2,4 |
2,6 |
2,8 |
3,0 |
3,2 |
3,4 |
3,6 |
3,8 |
|
F, кН |
6,5 |
7,0 |
7,5 |
8,0 |
8,5 |
9,0 |
9,5 |
10,0 |
10,5 |
11,0 |
Литература: [8], [9], [18], [22], [26].
Расчет элементов металлических конструкций поперечной рамы одноэтажного промышленного здания
План:
1.Определение внутренних усилий в элементах рамы от заданных нагрузок.
2.Подбор сечений стоек рамы (участки 1, 2, 3) из широкополочных двутавров стали С 245 с использованием программы SCAD.
3.Формирование отчета по результатам расчетов.
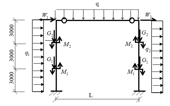
Задача. Определить компоненты напряженно-деформированного состояния в элементах поперечной рамы, приведенной на рисунке 1. Выполнить подбор требуемых типовых широкополочных двутавров для участков 1,2 и 3 стойки рамы. Ригель рамы – сквозная металлическая ферма с приведенными изгибными и продольными жесткостями EIP = 8,5×105 кН*м2, EАP = 6,7×105кН. Стойки рамы– широкополочные двутавры с изгибными и продольными жесткостями EIС = 7,1×104 кН*м2, EАС = 252,1×104кН. Значения нагрузок: М1=-3,8 кН*м; М2=-8,1 кН*м; G1=12,4 кН; G2= 21, 9 кН; W1=5,4 кН; W2=3,6кН.Варианты геометрических размеров и величин нагрузок приведены в таблице 1.
Рисунок 1 – Расчетная схема рамы
Таблица 1 – Исходные данные для расчета элементов рамы
|
Данные |
Последняя цифра зачетной книжки |
|||||||||
|
0 |
1 |
2 |
3 |
4 |
5 |
6 |
7 |
8 |
9 |
|
|
L, м |
16 |
17 |
18 |
19 |
20 |
21 |
22 |
23 |
24 |
25 |
|
q, кН/м |
9,0 |
9,5 |
10,0 |
10,5 |
11,0 |
11,5 |
12,0 |
12,5 |
13,0 |
13,5 |
|
q1, кН/м |
1,2 |
1,3 |
1,4 |
1,5 |
1,6 |
1,7 |
1,8 |
1,9 |
2,0 |
2,1 |
|
q2, кН/м |
0,8 |
0,9 |
1,0 |
1,1 |
1,2 |
1,3 |
1,4 |
1,5 |
1,6 |
1,7 |
Литература: [8], [9], [18], [22].
Экспертиза элементов металлических конструкций стержневой системы
План:
1. Определение внутренних усилий в элементах системы от заданных нагрузок.
2. Проведение экспертизы элементов системы с использованием программы SCAD.
3. Формирование отчета по результатам расчетов.
Задача. Определить компоненты напряженно-деформированного состояния в элементах поперечной рамы, приведенной на рисунке 1 и проверить достаточность существующих поперечных сечений из металлических уголков. Варианты геометрических размеров и величин нагрузок приведены в таблице 1.
Рисунок 1 – Расчетная схема стержневой металлической системы
Таблица 1 – Исходные данные для экспертизы элементов системы
|
Данные |
Последняя цифра зачетной книжки |
|||||||||
|
0 |
1 |
2 |
3 |
4 |
5 |
6 |
7 |
8 |
9 |
|
|
а, м |
0,6 |
0,8 |
1,0 |
1,2 |
1,4 |
1,6 |
1,8 |
2,0 |
2,2 |
2,4 |
|
q, кН/м |
6 |
8 |
10 |
12 |
14 |
16 |
18 |
20 |
22 |
24 |
|
F, кН |
30 |
40 |
50 |
60 |
70 |
80 |
90 |
100 |
120 |
140 |
|
М, кН*м |
10 |
12 |
14 |
16 |
18 |
20 |
22 |
24 |
26 |
28 |
|
Уголок |
100×10 |
110×8 |
125×10 |
140×12 |
160×12 |
180×12 |
220×14 |
220×14 |
250×16 |
250×16 |
Литература: [8], [9], 1[8], [22], [26].
Расчет ребристо-кольцевого купола
План:
1.Расчет напряженно-деформированного состояния купола по программе SCAD.
2.Экспертиза несущих конструкций купола.
3.Формирование отчета по результатам расчетов.
Задача. Определить компоненты напряженно-деформированного состояния ребристо-кольцевого купола и выполнить экспертизу прочности его несущих элементов по программе SCAD. Характер внешней нагрузки, геометрическая схема и основные размеры купола приведены на рисунке 1. Купол представляет собой поверхность вращения с осью, проходящей через центры верхнего и нижнего колец. Ребра арки выполнены из дерева, кольца и связи по поверхности покрытия выполнены из металла. Ребра арки имеют одинаковое по всей длине прямоугольное сечение размером b×h (лиственница с удельным весом γ = 6,5 кН/м3, модулем упругости Е= 1е-0,7 кН/м2, коэффициентом Пуассона v=0,5) и ориентацию местных координатных осей X1, Y1, Z1. Кольца и связи по поверхности покрытия имеют сечение из прокатных профилей: верхнее кольцо – швеллер по ГОСТ 8240 – 89 (30 П); промежуточные кольца – квадратные трубы по ТУ 36-2286-8 (80×3); поперечные связи – квадратные трубы по ТУ 36-2286-8 (80×3). Ребра-арки закрепляются к опорной горизонтальной поверхности сферическими шарнирно-неподвижными опорами. Во всех промежуточных узлах элементы ребер купола жестко соединяются между собой. На каждую арку действует равномерно распределенная нагрузка от собственного веса несущей конструкции и треугольная от веса покрытия (рисунок 1).
Рисунок 1 – Схема ребристо-кольцевого купола и действующая нагрузка
Таблица 1 – Варианты данных для расчета купола
|
Данные |
Последняя цифра зачетной книжки |
|||||||||
|
0 |
1 |
2 |
3 |
4 |
5 |
6 |
7 |
8 |
9 |
|
|
Размеры ребер арки, b×hмм |
100× 550 |
110× 550 |
120× 600 |
130× 600 |
140× 650 |
150× 650 |
140× 660 |
130× 660 |
120× 660 |
110× 660 |
Литература
1.Семенов А.А., Габитов А.И. Проектно-вычислительный комплекс SCADв учебном процессе. – Москва: изд-во АСВ, 2005. – 152 с.
Определение напряжений и деформаций в основании ленточного фундамента
План:
1.Определение компонент напряженно-деформированного состояния грунтов в основании ленточного фундамента.
2.Формирование отчета по результатам расчета.
Задача. Определить компоненты напряженно-деформированного состояния (НДС) в основании ленточного фундамента для условий плоской деформации (рисунок 1). Основанием фундамента является песок средней крупности с модулем общей деформации Е=30000 кПа, коэффициентом Пуассона v=0,3 и удельным весом γ =19,8 кН/м3.
Построить:
- изолинии всех компонент НДС (нормальных и касательных);
- эпюры распределения вертикальных напряжений по вертикальной оси Z и по горизонтальной оси X, походящей на глубине 1,0 b от поверхности основания (ось 1-1);
Определить осадку основания в точке О.
Варианты геометрических размеров и нагрузок приведены в таблице 1.
Рисунок 1 – Схема к расчету НДС основания ленточного фундамента
Таблица 1 – Исходные данные для расчета НДС основания
|
Данные |
Последняя цифра зачетной книжки |
|||||||||
|
0 |
1 |
2 |
3 |
4 |
5 |
6 |
7 |
8 |
9 |
|
|
b, м |
1,00 |
1,25 |
1,50 |
1,75 |
2,00 |
2,25 |
2,50 |
2,75 |
3,00 |
3,25 |
|
p1, кН/м |
0 |
50 |
60 |
70 |
80 |
90 |
100 |
110 |
120 |
130 |
|
p2, кН/м |
280 |
260 |
240 |
220 |
200 |
180 |
160 |
140 |
120 |
0 |
|
q, кН/м |
20 |
22 |
24 |
26 |
28 |
30 |
32 |
34 |
36 |
38 |
Примечание. 1.При выполнении задания использовать схему основания в виде балки-стенки. 2. После разбивки основания на конечные элементы выполнить шарнирное закрепление боковых граней и низа расчетной полуплоскости.
Литература: [8], [9], [19].
Тема7
Расчет железобетонного ленточного фундамента на упругом основании
План:
1.Построение эпюр внутренних усилий в железобетонном ленточном фундаменте на упругом основании по программе SCAD.
2.Подбор арматуры в конструкции фундамента по программе SCAD.
3.Составление отчета по результатам расчетов.
Задача. Определить напряженно-деформированное состояние железобетонного ленточного фундамента (бетон класса В20) сечением: ширина 100 см, высота – 30 см, длина – 600 см на упругом основании по модели Винклера с коэффициентом постели С1. Выполнить по программе SCAD подбор необходимой арматуры.
Схема балки и действующие нагрузки приведена на рисунке 1. Варианты геометрических размеров и величин нагрузок приведены в таблице 1.
Рисунок 1 – Схема к расчету НДС основания ленточного фундамента
Таблица 1 – Исходные данные для расчета балки
|
Данные |
Последняя цифра зачетной книжки |
|||||||||
|
0 |
1 |
2 |
3 |
4 |
5 |
6 |
7 |
8 |
9 |
|
|
С1, Н/см3 |
50 |
55 |
60 |
65 |
70 |
75 |
80 |
85 |
90 |
95 |
|
q, кН/м |
6 |
8 |
10 |
12 |
14 |
16 |
18 |
20 |
22 |
24 |
Литература: [8], [9], [21].